Какого диаметра арматура для фундамента плита. Определение сечений
- Какого диаметра арматура для фундамента плита. Определение сечений
- Как армировать плиту 15 см. Как правильно рассчитать количество арматуры
- Армирование монолитной плиты фундамента. Выбор арматуры
- Расчет арматуры на плиту. Изучение характеристик грунта
- Армирование фундаментной плиты чертеж. Схема армирования
- Диаметр арматуры на фундамент. Параметры арматуры для фундамента
- Фундамент монолитная плита чертеж. Проект фундамента монолитная плита чертеж
Какого диаметра арматура для фундамента плита. Определение сечений
Согласно нормативам, площадь сечения рабочей арматуры железобетонной конструкции должна составлять не менее 0,05% от площади поперечного сечения монолита. Допустим, вам нужно залить плиту размером 8*10 м толщиной 0,3 м. Площадь её поперечного сечения составит 8 м* 0,3 м = 2,4 м². 0,05% от этой цифры составляет 0,12 м² – или 12 см².
Теперь, ориентируясь на полученную цифру, подбираем диаметр арматуры вот по такой таблице:
Таблица подбора диаметров арматуры
Находим полученное значение (меньше нельзя, больше можно), нужные цифры в таблице подчёркнуты красным. Согласно табличным данным, при диаметре арматуры 14 мм каркас должен состоять из 8 стержней с шагом 125 мм. При диаметре стержней 12 мм, сетка должна состоять из 11 стержней с шагом 91 мм (округляем в большую сторону до 100 мм). В плоской плите у нас два ряда арматуры, поэтому и шаг между стержнями можно сделать в два раза больше – 200 мм.
Для фундаментной плиты под малоэтажный дом, арматура диаметром 12 мм, устанавливаемая с шагом 200, является усреднённым и самым оптимальным вариантом. Слишком маленький шаг арматуры в плите фундамента не позволяет бетону нормально проходить между прутьями каркаса при заливке, а слишком большой может сделать армирование и вовсе бесполезным, так как в этом случае бетону в зоне квадрата внутри ячейки, всё равно приходится работать на растяжение.
Диаметр 12 мм для стальной арматуры считается минимальным, даже когда плита фундамента имеет меньший размер. Если она формируется без проекта, необходим определённый запас прочности.
Расчёт диаметра для композитной арматуры обычно делают как для стальных стержней, но по факту берут на одно, или даже два значения ниже.
Как армировать плиту 15 см. Как правильно рассчитать количество арматуры
Количество используемых прутков напрямую зависит от размеров плиты, прежде всего от ее толщины (если она больше 25 см, потребуется двухслойное армирование). Используем для примера дом, основание которого имеет размеры 8×4 метра. Минимальный шаг сетки, согласно СНиП, должен составлять 20 сантиметров. Соответственно количество прутьев в длину будет равно:
Умножим полученное количество на 5%, чтобы обеспечить запас. Погонный метраж арматуры составит:
Как уже упоминалось нами ранее, диаметр прутка должен подбираться в соответствии с нагрузками на плиту. Минимальная степень армирования для бетонов М-200 и М-300 соответственно составляет 0,1 и 0,15%, что также следует внести в расчет по расходу материала. Зная эти параметры можно произвести точный расчет расхода материала для фундаментной плиты с армированием.
К примеру, возьмем плиту размером 6×6 м и толщиной 20 см и рассчитаем параметры арматурного пояса, находящегося непосредственно в зоне сопряжения площадью 1,2 м2. Оптимальная величина площади арматуры составляет 0,3% от площади плиты, соответственно:
Для одного слоя армирующего пояса, в котором элементы расположены с шагом 10 см, площадь примененной арматуры должна быть не ниже:
Под армирование фундаментной плиты подходит несколько видов арматурных прутьев. Все доступные варианты с указанием длины и площади сечения доступны для ознакомления в ГОСТ5781-82. Из результатов нашего примера следует, что наиболее подходящим является стержень диаметром 14 мм (в общей сложности будет использовано 12 стержней на каждую зону сопряжения). При стороне плиты 600 см оптимальный шаг сетки каркаса составит 30 см (для горизонтального направления), такой же шаг будет использован для вертикального направления, но будут применены 8-миллиметровые прутки.
Чтобы представить расчеты в более наглядном виде необходимо создать чертеж металлического каркаса. Он поможет при подсчете общего количества прутков, которые будут задействованы в процессе монтажа. Для нашего примера совокупный расход арматуры составит 515,2 погонных метра 12-миллиметровых арматурных прутков и 56 метров 8-миллиметровых прутков.
Армирование монолитной плиты фундамента. Выбор арматуры
Основными показателями качества являются:
- Прочность.
- Характеристики сцепления с бетоном.
- Свариваемость.
- Хладостойкость.
- Пластичность.
При усилении плитного фундамента строительные правила рекомендуют использовать в качестве рабочих стальные прутья периодического профиля класса прочности А400, А500 и А600. Они представляют собой цилиндрические стержни с двумя продольными рёбрами и поперечными выступами постоянной или переменной высоты. Такие профили называются, соответственно, кольцевой и серповидный, и обеспечивают хорошее сцепление. Например, если для периодической арматуры напряжение соединения составляет 6-10 МПа, то для гладкой — всего 2,5-3,0 МПа. Поэтому варианты без рифления применяют только для поперечного и косвенного упрочнения. Они имеют относительно низкий класс (А240, больше информации о такой арматуре здесь ) и меньшую цену.
Периодическая арматура выпускается диаметрами от 6 до 50 мм длиной 6 и 12 м, изготавливается из сталей марки 35ГС и 25Г2С. В малоэтажном строительстве для фундаментных плит обычно используют прутки от 6 до 16 мм. Стержни с большими поперечными сечениями применять нет необходимости, так как они не будут загружены растягивающими нагрузками и не обеспечивают эффективную совместную работу с бетоном.
Класс прочности обозначает нормативное значение сопротивления растяжению в мегапаскалях. Например, А400 расшифровывается так: горячекатаная или термомеханически усиленная, рассчитанная на нагрузку в 400 МПа. Свариваемая дополнительно маркируется литерой «С»: А400С, А500С.

Схема каркаса
Армирование плитного фундамента выполняют слоями с помощью сеток из сварных или вязаных прутов. Придерживаются рекомендаций:
- Если толщина основы менее 150 мм, то укладку выполняют в один слой. При большей — в виде каркаса из двух параллельных поясов.
- Рабочие прутки располагаются взаимно перпендикулярно в слое, который параллелен подошве. Сетки имеют одинаковые ячейки шириной от 20 до 40 см в зависимости от нагрузки. Максимальное расстояние между стержнями не должно быть более полуторократной толщины основания. Верхние и нижние слои соединяют вертикальными изделиями диаметром 6-8 мм с тем же шагом, что и у рабочих или в два раза большим (в зависимости от нагрузки).
- При выборе толщины защитного слоя учитывают, выполнялась или нет бетонная подготовка для будущего монолитного фундамента (если она отсутствует, то размер принимают равным 70 мм, а при наличии — 40 мм). На это расстояние стержни должны быть утоплены в тело на всех гранях во избежание их ускоренной коррозии.
- Если сторона основания монолитной железобетонной плиты меньше 3 м, используют диаметр не менее 10 мм, при длине свыше 3 м берут пруток 12 мм и более.
- При армировании фундамента торцы укрепляют П-образными элементами, изготовленными загибом прутьев, и связывающих (на длине двух толщин основания) верхний и нижний слои каркаса. Делается это с целью анкеровки изделий на краях и возможности восприятия крутящих моментов.
- Шаг уменьшают в два раза (до 10 см) при опасности продавливания (например, местными нагрузками типа вертикальных колонн).
- Если в конструктивной схеме сооружения предусмотрено выполнение монолитной стены, то выводят вертикальные выпуски стержней, которые остаются после заливки. При монтаже их вводят в массив основания на глубину двух толщин, крепят к каркасу и загибают. Такое решение обеспечивает совместную работу стены и плиты.
Расчет арматуры на плиту. Изучение характеристик грунта
Перед тем как приступить к расчету любого типа фундамента определяют характеристики основания под него. К основным и наиболее важным моментам относят:
- водонасыщенность;
- несущую способность.
При строительстве крупных объектов перед началом разработки проектной документации выполняют полноценные геологические изыскания, которые включают в себя:
- бурение скважин;
- лабораторные исследования;
- разработку отчета о характеристиках основания.
В отчете предоставляются все значения, полученные в ходе первых двух этапов. Полный комплекс геологических изысканий стоит дорого. При проектировании частного дома в нем чаще всего нет необходимости. Изучение почвы выполняются двумя методами:
- шурфы;
- скважины.

Отрывку шурфов выполняют вручную. Для этого лопатой выкапывают яму, глубиной на 50 см ниже предполагаемой отметки подошвы фундамента. Почву изучают по срезу, определяют примерно тип несущего слоя и наличие в нем воды. Если грунт слишком насыщен водой, рекомендуется остановиться на свайных опорах под здание.
Второй вариант изучения характеристик основания под дом выполняют ручным буром. Анализ проводят по кускам почвы на лопастях.
Важно! При проведении мероприятий необходимо выбирать несколько точек для изучения. Они должны располагаться под пятном застройки. Это позволит наиболее тщательно изучить тип почвы.
Определившись с основанием, для него выясняют оптимальное удельное давление на грунт. Величина потребуется в дальнейшем расчете, пример которого представлен далее. Значение принимают по таблице.
*При данном типе грунта основания более экономичным может оказаться ленточный вариант, поэтому нужно рассчитать смету на два типа фундамента и выбрать тот, который будет стоить дешевле.
Армирование фундаментной плиты чертеж. Схема армирования
Когда выполняется армирование плитного фундамента, схема расположения арматуры должна составляться строго по технологии. Кроме того, схемы армирования монолитной плиты перекрытия фундамента, при необходимости, предполагают неравномерный порядок размещения прутков. Участки, где планируется возведение несущих перегородок и колонн дополнительно усиливаются. Такие места называют зонами продавливания. Арматуру укладывают в один слой при толщине железобетонной плиты 15 см и меньше. Если план монолитного фундамента предполагает величину слоя больше 15 см, рекомендуется производить армирование каркасами. Для плитно-свайного фундамента расчеты нужно производить отдельно — в зависимости от расположения и материала свай. В любом случае, чтобы правильно выполнить армирование фундаментной плиты, чертеж надо составлять на основании тщательных предварительных расчетов.
Схема расположения усилений фундамента Источник pingru.ru
Смотрите также: Контакты строительных компаний, которые предлагают услугу ремонта фундамента.
Основные параметры плиты
Рассмотрим на примере основные узлы конструкции. На схеме изображена сетка с постоянными размерами ячеек. Расстояние между прутками должно быть одинаковым. С расчетом нагрузок, шаги прутьев делают через каждые 20-40 см. Для построек из кирпича подходит 20 см, а для легких каркасных домов допускается делать укладку арматуры реже. В любом случае, по строительным правилам из пункта про «бетонные и железобетонные конструкции» указано, что расстояние между прутьями не должно превышать толщину основания в 1,5 раза.
Распространенный метод укладки – в два ряда. Их совместное действие будет обеспечено монтажом вертикальных стержней. Отступы между такими прутами должны равняться шагам основной стальной конструкции также допускается в два раза большее расстояние. По правилам плиту перекрытия на торцах следует армировать П-образными хомутами, длина которых должна равняться двум толщинам основания и более. Обвязка стержней должна охватить верхние и нижние ряды. Такая методика обеспечивает надежное восприятие крутящих моментов у края фундаментной основы и позволит произвести анкеровку концов продольных прутков.
 Армирование плиты фундамента по краям и укладка в два ряда Источник ufa.masterdel.ru
Армирование плиты фундамента по краям и укладка в два ряда Источник ufa.masterdel.ru 
Это важно! Всю арматурную конструкцию следует утопить в бетонный раствор примерно на 2-3 см со всех сторон – внизу, вверху, с боков. В противном варианте происходит ускоренный процесс коррозии арматуры, что впоследствии приведет к разрушениям конструкции.
Зоны продавливания
В местах, где об фундамент будут опираться несущие вертикальные конструкции, раскладку следует производить, уменьшив шаги армирования. В случае, когда по основной ширине плиты арматура укладывается через 20 см, значит, под перегородками следует перейти на расстояние в 10 см. Такой метод позволяет предупредить возникновение продавливания и образования трещин.
Если зона сопряжения совпадает с монолитной стеной подвала, глубина закладки будет производиться в соответствии с высотой планируемого помещения. В таком варианте работы ведутся с привязкой основания к стенам.
При армировании фундаментов, рекомендуется производить совместную обвязку каркасов монолитных стен и плиты. Во время заливки фундаментного основания нужно оставить части вертикальных стержней, которые послужат связующими звеньями. Эти концы запускают в основу, производят загиб края, примерно на две части высоты плиты, после осуществляют привязку к основной части каркаса.
 После заливки и застывания бетона, вертикальные стержни используют для «привязки» стен к основанию Источник dvamolotka.ru
После заливки и застывания бетона, вертикальные стержни используют для «привязки» стен к основанию Источник dvamolotka.ru 
Чтобы произвести грамотный расчет стройматериалов и армирование плитного фундамента понадобится схема и чертеж. Должны быть внесены данные о шагах между рядами арматуры и ее диаметр.
Диаметр арматуры на фундамент. Параметры арматуры для фундамента
Количество и размеры стального прутка зависят от нескольких факторов:
- Типа фундамента (плитный, свайный, ленточный).
- Типа грунтов (пучнистые, сыпучие, горные породы, плотные основания и т.п.);
- Веса самого здания (типа используемого строительного материала, этажности).
Первым делом, нужно определиться с тем, какой диаметр арматуры использовать для фундамента. Чем сложнее грунты, тем больше потребуется размер прутков. Так для легкого дома на хорошем, устойчивом, непучнистом грунте используют арматуру 10-12 мм диаметра. Если дом будет тяжелым, или грунт пучнистый или сыпучий, требуется уже 14-16 мм.

Выбор диаметра арматуры для фундамента зависит от типа грунтов и массы здания
Для плитных фундаментов используют большие диаметры — наиболее распространенный в частном домостроении — 14 мм, для ленточных будет достаточно 12 мм, а для столбчатых 10 мм. Но это для нормальных не очень сложных грунтов и зданий небольшой массы.
Шаг укладки арматуры
Аналогично дело обстоит с шагом укладки арматуры. Для армирования плитных основания он изменяется в пределах 20-30 см. Чем тяжелее дом и сложнее грунт, тем меньше шаг. Конкретное количество требуемого прутка считается исходя из габаритов и условий эксплуатации. Поясов армирования, как правило два: верхний и нижний.

Шаг укладки арматуры также зависит от будущих нагрузок и типов грунтов
В ленточных фундаментах основную нагрузку несут горизонтальные направляющие. Их для лент шириной 30 — 40 см достаточно по две вверху и внизу. Если ширина больше, используют в одном ряду три или четыре прутка.
Горизонтальных рядов в ленточных фундаментах почти всегда два: один на 5 см ниже верхнего края, второй на 5 см выше нижнего. Соединяют их в единую конструкцию поперечными перевязками. Их шаг должен быть в районе 30-50 см. Чаще или реже — зависит от грунтов или массы здания.
Схема расположения прутков в столбчатых основаниях, зависит от диаметра столбов. Тут важно, чтобы от прутков до края столба было не менее 5 см. Горизонтальные перевязки нужно ставить тоже примерно раз в 50 см.
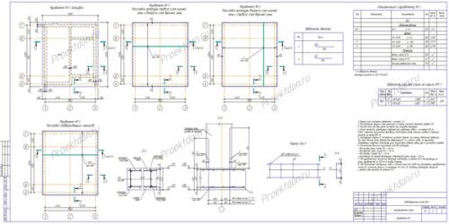
Фундамент монолитная плита чертеж. Проект фундамента монолитная плита чертеж
Чертеж фундамента плитного типа предусматривает устройство под всей площадью дома сплошной плиты из монолитного железобетона. Благодаря значительной площади опирания, такой фундамент можно монтировать даже на слабонесущем основании с грунтами, проявляющими просадочные и пучинистые свойства. Плитный фундамент является мелкозаглубленой конструкцией, которая идеально подходит для устройства на площадках с высоким уровнем грунтовых вод. Решение может использоваться как в малоэтажном, так и в высотном строительстве.
Разновидности проектов фундамента Монолитная плита
В проекте фундамента Монолитная плита чертеж может разрабатываться либо на основании традиционных технических решений, либо с применением современных подходов (утепленная "шведская" плита). 
 Традиционное решение предполагает устройство армированной плиты, заглубление которой, как правило, не превышает 0,8 м. Монолитная железобетонная конструкция толщиной от 0,1 м и более предотвращает возможные деформации стен здания в случае промерзания грунта основания. В проектах фундамента Монолитная плита чертеж может дополнительно включать ребра жесткости и сваи. 
 Современные скандинавские технологии монтажа плитных фундаментов предусматривают устройство слоя утеплителя между подошвой плиты и основанием. Такое решение позволяет повысить как эксплуатационные характеристики конструкции, так и показатели энергоэффективности дома. 
Особенности проекта фундамента Монолитная плита
Чертеж фундамента разрабатывается по результатам выполненного расчета, с учетом нагрузок, передаваемых от проектируемого здания, его конфигурации, характеристик грунта основания, данных топографических изысканий. Также учитывается влияние зданий, сооружений и коммуникаций, расположенных рядом. 
 На основании полученных расчетных показателей принимаются основные параметры фундамента: марка бетона, тип арматуры, ее диаметр и шаг. Определяется требуемая толщина утеплителя и характеристики гидроизоляции. На площадках со сложной геологией назначается комплекс дополнительных мероприятий. 
Стоимость проекта фундамента Монолитная плита
Чертеж фундамента является основанием для подсчета объемов работ и определения их сметной стоимости. Как правило, эта цифра составляет от 15 до 25% от общей стоимости дома. Применение в проекте современных технических решений позволяет снизить не только стоимость строительства здания, но также и сократить дальнейшие затраты на его эксплуатацию.
