Заливка ленточного фундамента бетоном. Тонкости заливки фундамента ленточного типа
- Заливка ленточного фундамента бетоном. Тонкости заливки фундамента ленточного типа
- Заливка фундамента. Как залить фундамент – инструкции и схемы правильной заливки своими руками
- Подготовка и заливка фундамента. Основные типы фундаментов
- Этапы строительства ленточного фундамента. Материалы и инструменты
- Фундамент своими руками. Пошаговая инструкция по строительству ленточного фундамента своими руками + основные ошибки при монтаже
Заливка ленточного фундамента бетоном. Тонкости заливки фундамента ленточного типа
Заливка ленточного фундамента своими руками нуждается в точном следовании рекомендованным профессионалами технологиям. Если фундамент возводится под жилое домостроение, нужно отнестись к следованию стандартным правилам с особой тщательностью. Не только грамотно подобранные параметры подсыпки, забутовки и марки бетона имеют значение. Выбор арматуры и ее грамотная установка также очень важны. К примеру, при домостроении арматуру для ленточного фундамента укладывают после подсыпки и увязывают в виде решетки, которая представляет собой длинные и поперечные прутья небольшой длины. Затем в саму подсыпку вбивают арматуру вертикальную, специально предназначенную для ленточных фундаментов. В процессе строительства этого типа основы, поверх вертикальной вяжется вторая решетка, аналогично первой, сделанной после подсыпки. При этом вполне допустимо формирование крупных квадратов и ячеек из арматуры.
Технология заливки ленточного фундамента проста для понимания, но требует соблюдения всех нюансов. Выполнение требований, строительных норм и правил, дает возможность собственными силами построить именно ту основу под здание, которая станет надежной опорой для любого коттеджа, дома или бани.
Прежде всего, следует изучить тонкости устройства фундамента, сделать правильные расчеты. А к вопросу подготовки заливочной бетонной массы следует подойти с особой ответственностью, так как от качественных показателей этого раствора зависит и качество всей основы.
В том случае, если на участке под застройку обнаружен пучинистый грунт или уровень промерзания почвы зимой очень глубок, самостоятельное строительство ленточного фундамента может оказаться очень затратным. Это объясняется тем, что все работы по выемке земли, армировании траншеи и заливке раствором бетона увеличатся в объеме в несколько раз. При наличии подобного рода специфик желательно отдать предпочтение другим видам фундамента. Во всех остальных случаях самостоятельно залить ленточный фундамент будет несложно. Такой вариант более экономичен с финансовой точки зрения, чем при выборе фундамента другого типа.
Опалубка под данный тип основания под здание для деревянных домов должна составлять не меньше 40 см, а при строительстве дома из кирпича – 50 см. Ширина опалубки и составит в дальнейшем толщину стен дома. Разбив оси в соответствии с заранее подготовленным планом, например, используя теодолит или обычный шнур и колышки, можно приступать к подготовке траншеи, которую, при отсутствии спецтехники, можно вырыть при помощи обыкновенной лопаты.
Заливка фундамента. Как залить фундамент – инструкции и схемы правильной заливки своими руками
Для правильной постройки загородного дома, дачи или строения иного бытового назначения работы необходимо начинать с заливки фундамента. Данную операцию можно выполнить своими силами, не привлекая наемных работников, что позволит сэкономить значительную часть средств и быть полностью уверенным в качестве проведенных работ.

Строго опираясь и соблюдая правила для заливки фундамента, каждый сможет справиться с процедурой вполне успешно.

Обратите внимание, на сайте: riggingservice.ru можно более подробно узнать про такелажные услуги в Санкт-Петербурге.
Разновидность фундамента
Тип заливаемого фундамента подбирается в каждом случае индивидуально и зависит от внешних факторов, особенностей исполнения, трудоемкости и затрат, а именно:
- Тип планируемого строения, его размеры, вес и наличие подземных помещений, таких как глубокий погреб или гараж, предъявляют определенные требования к фундаменту.
- Состав и основные характеристики почвы накладывают свои особенности. Преобладание каменистого грунта не влияет на его насыщение грунтовыми и талыми водами, что обеспечивает неподвижность и отсутствие рисков разрыва фундамента как по высоте, так и в продольном направлении. Глинистые или торфяные грунты подвержены пучению, что может повредить возведенное строение.
- Наличие и уровень залегания грунтовых вод определяет глубину закладки.
В зависимости от вышеуказанных факторов, все типы фундаментов подразделяются на следующие:
Плитный фундамент
Используется в качестве основания для крупных домов, построенных из кирпича, бруса или строительных блоков. В зависимости от планируемого расположения подземных помещений, разделяется на мелкозаглубленный и заглубленный.

Основным преимуществом такой технологии является то, что они не зависят от характеристик грунта и обеспечивают сохранность постройки. Однако, она достаточно дорогостоящая, для заливки необходимо использовать спецтехнику.

Свайный фундамент
Подходит для песчаных и глинистых типов грунта, а также при расположении строения на неровной местности с преобладанием уклонов. Является затратным и требует применения специальной техники.

Столбчатый фундамент
Технология заливки простая и дешевая, однако, подойдет только для зданий с небольшим весом, таких как некрупные хозяйственные постройки или летние щитовые домики.

Ленточный фундамент
Представляет собой монолитную плиту из железобетона, которая проходит в земле под всеми несущими стенами возводимого здания. В настоящее время данная технология является наиболее востребованной, не требует применения специальных машин, а при строгом соблюдении подробной инструкции о том, как правильно залить фундамент, это под силу выполнить своими руками.
Технология самостоятельной заливки фундамента
Перед началом самих работ необходимо точно определиться с размерами и параметрами планируемого дома и постройки, расположением не только внешних, но и внутренних стен, которые будут являться несущими.

После этого можно приступать к следующим процедурам.

Разметка места под будущий фундамент
После окончательного принятия решения о постройке дома, необходимо тщательно подготовить участок под возводимое строение. Место постройки нужно очистить от деревьев и кустарников, крупных камней и прочего мусора, который может препятствовать работе.

После этого требуется подготовить необходимый инструмент, который включает в себя:
- Бечевка или леска;
- Колышки из дерева (длина может быть от 110 до 130 см);
- Измерительная рулетка. Предпочтение следует отдать длинным вариантам, до двадцати пяти метров;
- Бытовые ножницы для нарезки бечевки или лески;
- Строительный отвес;
- Слесарный угольник;
- Любое счетное устройство типа калькулятора. Оно будет необходимо для правильного расчета сторон заливаемого фундамента и объема смеси;

Первым делом нужно наметить место, в котором будет располагаться любой угол фасада здания, после чего в требуемую точку забивается имеющийся колышек. От установленной метки отмерить ширину планируемого фасада, после чего на требуемое расстояние вбивается второй колышек.

Используя строительный отвес проверяется возможное отклонение угла фасада, выставляется вертикаль, после чего от нее протягивается бечевка или леска, которая должна быть расположена строго перпендикулярно требуемой линии фасада.

Применяя слесарный угольник намечают оставшиеся углы здания, устанавливая колышки на требуемые места и соединяя последние бечевкой. После всех проведенных процедур важно проверить точность расположения вбитых маячков, для чего при помощи строительной рулетки производится замер диагоналей здания. При имеющемся расхождении нужно подкорректировать вбитые колышки.

Таким образом, размечается внешний диаметр строения. Для определения внутреннего периметра, не отходя от линии разметки по разные стороны каждого вбитого колышка, также устанавливают еще по одному, отступая по сорок сантиметров в каждую сторону.
Подготовка и заливка фундамента. Основные типы фундаментов
В частном домостроении применяются разные типы оснований. Фундамент под дом выбирается в зависимости от характеристик грунта, материала, из которого будет возводиться здание, климатических условий, финансовых возможностей и некоторых других факторов.
По конфигурации фундаменты подразделяются на виды:
Основные виды фундаментов и их особенности рассматриваются в следующем
Ленточные фундаменты
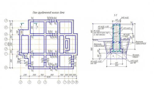
Ленточный фундамент – наиболее распространенный вид. Он считается универсальным, так как подходит для большинства типов грунтов. Исключения составляют лишь регионы, близкие к зоне «вечной мерзлоты», строения, возводимые буквально «на воде». Представляет собой железобетонную ленту определенной высоты и ширины, которая сооружается по периметру строения и под внутренними несущими стенами.
По технологии строительства бывает следующих видов:
- Монолитный – сооружается путем заливки бетона в опалубку с предварительно изготовленным армирующим каркасом.
- Сборный – строится из специальных фундаментных блоков ФБС, дополнительно могут применяться подошвы ФЛ для увеличения устойчивости.

Рисунок 2. Схемы сборного и монолитного ленточного основания
Ленточное основание оптимально подходит для строительства домов из тяжелых материалов (кирпич, газобетон и т.д.). Такой тип фундамента делается также под здания с подвальными и цокольными этажами. Традиционно он сооружается ниже глубины промерзания.

Рисунок 3. Заглубленный ленточный фундамент
Однако возможно устройство мелкозаглубленного варианта – обычно он используется для относительно небольших домов и требует проведения комплексных мероприятий по утеплению, которое позволит предотвратить пагубное воздействие морозного пучения.

Рисунок 4. Схема качественного мелкозаглубленного ленточного фундамента
Основные недостатки ленточных фундаментов – большие объемы земляных работ и расходы строительных материалов. Однако эти минусы оправдывает повышенная надежность и длительный срок службы конструкций этого типа.
Столбчатые фундаменты
Основание столбчатого типа значительно дешевле ленточного, но подходит исключительно для легких небольших домов (каркасные, брусовые, бревенчатые), бань, гаражей и других построек. Устраивается путем установки столбов по углам здания и в местах примыкания внутренних стен к наружным, в зависимости от габаритов постройки возможен монтаж дополнительных опор.

Этапы строительства ленточного фундамента. Материалы и инструменты
До старта работ по возведению ленточного фундамента нужно подготовить материалы:
- деревянные доски и бруски – для опалубки;
- арматура – для армирующего эффекта;
- щебень и песок – для «подошвы»;
- проволока – для связывания металлических прутьев;
- гидроизоляционный материал – для опалубки;
- бетон – для заливного раствора (готовится или заказывается непосредственно перед этапом заливки).
Дерево в доске достаточно взять толщиной 15-20 мм. Бруски желательно выбрать с сечением 30-40 мм.
Чаще используют готовый бетон, но, когда объемы укладки внушительные или к месту трудно проехать транспорту – берут в аренду :
- растворный узел (передвижной),
- бетононасос (возможность подачи до 64 м),
- тару для промежуточной выгрузки и тачку для перемещения.
Лопата тоже пригодится, а также:
- кусачки для проволоки,
- гвозди и молоток для опалубки,
- пила.
Хорошо бы иметь еще вязальный пистолет для проволоки и вибромашину для бетона.
Выбираем бетон для заливки
Если принято решение замешивать бетон самостоятельно, то нужно купить и смешать песок, цемент и щебень . Пропорции 3:1:3 соответственно. Цемент желательно выбирать маркой М 400. Можно заказать уже заготовленный раствор с маркировкой М 300 и больше.
Бетон лучше купить в готовом виде, потому как при самостоятельном замешивании за один подход залить «ленту» не получится. Это негативно скажется на цельности основания и его прочности.
Подробнее о марках бетона для ленточного фундамента расскажет эта статья.
Арматура
Когда строительные работы ведутся по правилам СНиП, то для ленточного фундамента обязательно применять сертифицированную арматуру. При продольном армировании укладывается сталь от 10 до 32 см в диаметре. При вертикальной установке – 12 см.
Фундамент своими руками. Пошаговая инструкция по строительству ленточного фундамента своими руками + основные ошибки при монтаже
Требования, предъявляемые к фундаменту, весьма высоки.
Прочность и надежность основания относятся к основным, но не единственным задачам, возлагаемым на опорные конструкции.
Ленточный фундамент способен выполнять свои функции в различных условиях, что подтверждено многовековыми исследованиями.
Высокая популярность ленты обусловлена оптимальным сочетанием несущей способности и экономичности, простоты и долговечности.
Основным достоинством считается возможность самостоятельного возведения.
Ленточный фундамент представляет собой сплошную замкнутую опорную конструкцию, расположенную под всеми внешними и внутренними несущими стенами. Фактически, это — заглубленный цоколь, способный выдерживать нагрузки от веса здания, давление грунта и прочие воздействия.
Существуют следующие разновидности ленточного фундамента :
- Монолитный. Представляет собой цельную отливку из железобетона, имеет максимальную прочность и несущую способность.
- Сборный. Лента строится из отдельных фрагментов или элементов — фундаментных блоков (ФБС), кирпича, природного камня и т.д. Эксплуатационные качества этого типа основания несколько ниже, чем у монолитной ленты.
- Комбинированный. Представляет собой сочетание ленточного основания с другим типом — например, свайно-ленточный. Позволяет получить опорные точки, на которых устанавливается несущий пояс.
Кроме того, существуют разновидности по :
- Незаглубленный. Создается на абсолютно неподвижных грунтах — скалах, прочных устойчивых почвах. Встречается крайне редко.
- Мелкозаглубленный. Используется для строительства на прочных почвах, не подверженных морозному пучению. Глубина заложения меньше уровня зимнего промерзания грунта.
- Заглубленный. Глубина заложения такой ленты несколько ниже уровня промерзания грунта. Используется для самых массивных и тяжелых построек, годится для большинства типов грунта и гидрогеологических условий.
Выбор подходящего типа обусловлен анализом всех условий участка — составом грунта, количеством и свойствами слоев, глубиной залегания почвенных вод и т.д.

Для каких построек он подходит
Ленточные основания являются надежной опорой для зданий из различных материалов:
- Дерево.
- Пено- и газобетон.
- Кирпич.
- Бетонные плиты.
Материал и количество этажей определяют вес здания, от которого зависят расчетные параметры ленты — степень заглубления и толщина. Наряду с особенностями грунта, параметры здания являются основным материалом для выполнения инженерных расчетов при проектировании.

как рассчитать глубину
ленточного фундамента зависит от типа основания. е сли планируется строительство варианта, то необходимо опираться на табличные данные снип, отображающие глубину промерзания грунта в данном регионе.При строительстве мелкозаглубленного типа ленты учитывается состав грунта, наличие и глубина залегания грунтовых вод. К оптимальной глубине принято относить 0,75-1 м, но на устойчивых и сухих грунтах глубину можно немного уменьшить.
ОБРАТИТЕ ВНИМАНИЕ!
Наиболее распространенной глубиной погружения мелкозаглубленной ленты считается 0,7 м.
Как устроен мелкозаглубленный ленточный фундамент
практически полностью повторяет заглубленный вариант, только с меньшим уровнем погружения.Присутствует траншея, в которой создается дренажный слой засыпки и заливается бетонная лента .
Конструкция основания имеет меньшие возможности, чем полноценная лента, но, для относительно небольших малоэтажных построек ее несущей способности вполне хватает.

Пошаговая инструкция по монтажу своими руками
Рассмотрим порядок действий при создании ленточного фундамента :
- Подготовка.
- Разметка участка.
- Рытье траншеи.
ВАЖНО!
Порядок действий не меняется практически ни при каких обстоятельствах, поскольку все этапы являются следствием предыдущих операций.
Источник: https://360doma.ru/stati/kak-sdelat-deshevyy-fundament-osobennosti-vybora-pravilnogo-fundamenta
